振动式油茶果采收执行器设计与试验

    Design and test of vibratory harvesting actuator for Camellia oleifera fruits

    • 摘要:
      目的 为提高油茶果采净率和采收效率,针对我国南方丘陵地带规范栽植油茶林,设计一种振动式油茶果采收执行器。
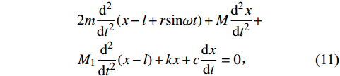
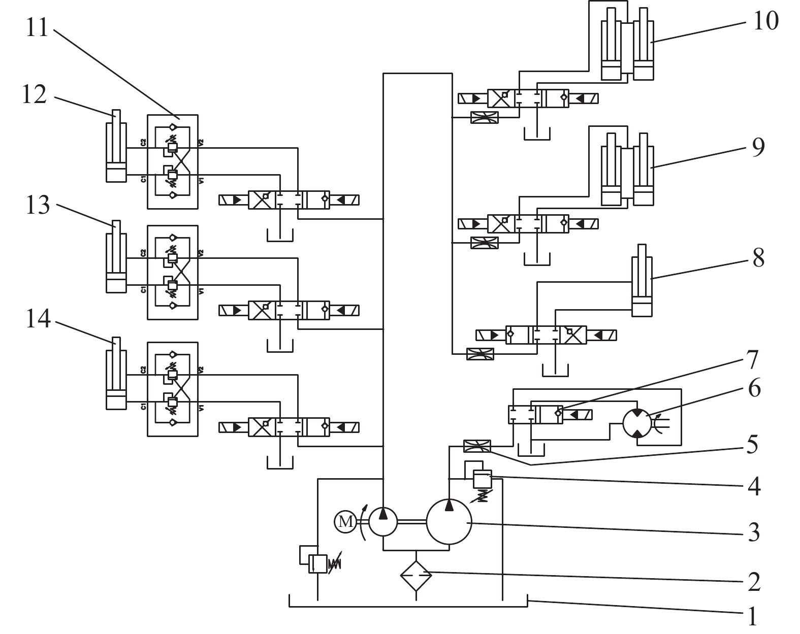
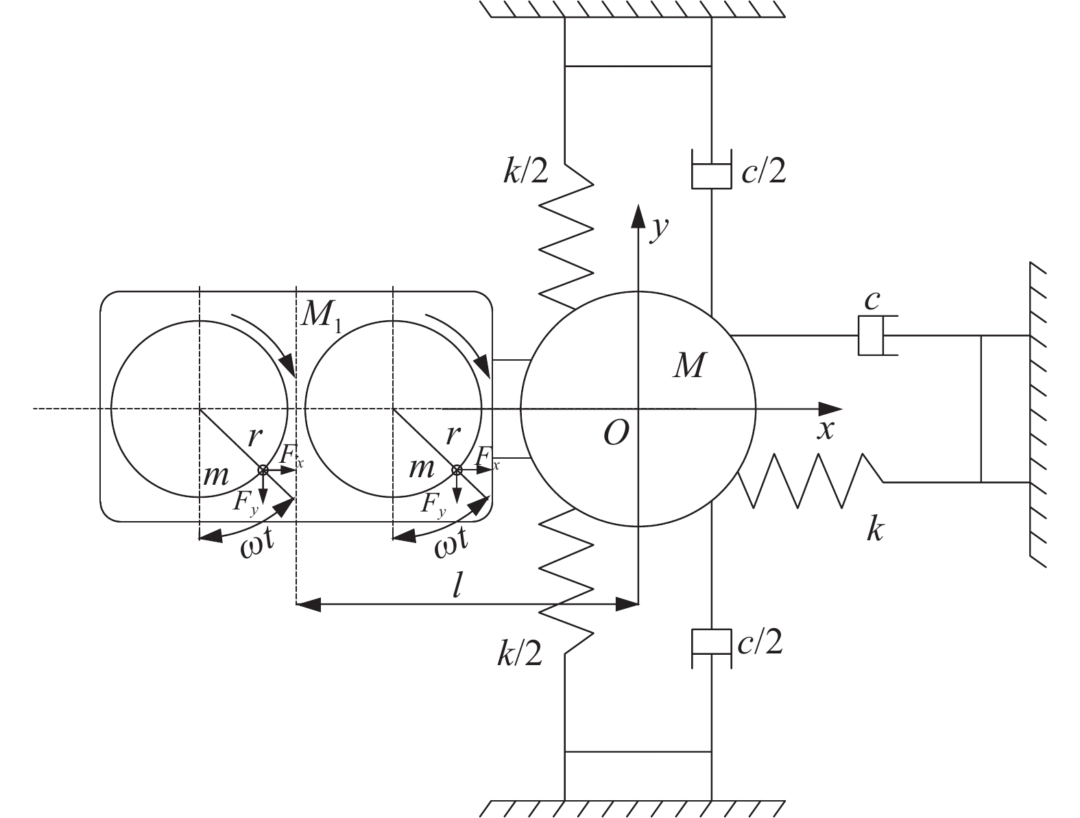
      方法 完成CZC40RY油茶果采收机采收执行器的采收头、采收臂和液压控制系统设计。建立振动装置−油茶树体振动系统力学模型、油茶果−油茶枝单摆动力学模型;运用COMSOL、ANSYS软件完成油茶树三维模型自由模态响应与谐响应分析;采用Box-Behnken试验方法,以振动频率、振幅、振动时间为试验因素,以采净率、落花率为试验指标,确定采收执行器最优作业参数。
      结果 确定树体受简谐激振力时的振动频率和影响振幅的主要因素,得出油茶果脱落加速度为947.63 m/s2、振动装置频率为15~25 Hz。林间采收试验验证表明,振动频率为21 Hz、振幅为10 mm、振动时间为10 s时,采收执行器平均采净率为95.5%,落花率为2.1%。与现有振动式油茶果采收机采收参数对比分析得出,不同地区、不同品种乃至同株油茶树油茶果脱落频率、大小、成熟度存在明显的差异,提出了分阶振动采收方法,并给出振动频率−振动时间关系图。
      结论 该采收执行器能够满足油茶果机械化采收需求。

       

      Abstract:
      Objective In order to improve the removal rate and harvesting efficiency of Camellia oleifera fruits, a vibratory C. oleifera fruit harvesting actuator was designed for the C. oleifera forest in the hilly area of southern China.
      Method The design of harvester head, harvester arm and hydraulic control system for the harvesting actuator of CZC40RY C. oleifera fruit harvester was completed. The vibration system mechanical model of vibration device-C. oleifera tree and the single pendulum dynamic model of C. oleifera fruit-C. oleifera branch were established. COMSOL and ANSYS softwares were used to complete the free mode response and harmonic response analysis of the 3D model of C. oleifera tree. The Box-Behnken test method was used to determine the optimal operating parameters of the harvesting actuator with vibration frequency, amplitude and vibration time as the test factors, and the removal rate and flower drop rate as the test indexes.
      Result The vibration frequency and the main factors affecting the amplitude were determined when the tree was subjected to the simple harmonic exciting force, and the shedding acceleration of C. oleifera fruits was 947.63 m/s2, and the frequency range of the vibration device was 15−25 Hz.The harvesting test of C. oleifera forest verified that when the vibration frequency was 21 Hz, the amplitude was 10 mm and the vibration time was 10 s, the average removal rate of the harvesting actuator was 95.5%, and the flower drop rate was 2.1%. Through comparative analysis of the harvesting parameters with vibratory C. oleifera fruit harvesters, there were obvious differences in the shedding frequency, size and maturity of C. oleifera fruits in different regions, different varieties and even the same C. oleifera tree. The divide order vibration harvesting method was proposed, and the vibration frequency-vibration time relationship diagram was given.
      Conclusion The harvesting actuator can meet the mechanical harvesting needs of C. oleifera fruits.

       

    /

    返回文章
    返回