基于NLMS算法的风送式喷雾机窄带有源降噪仿真研究

    Simulation research on narrow-band active noise reduction of wind driven sprayer based on NLMS algorithm

    • 摘要:
      目的  研究风送式喷雾机出风口噪声类别,并探索合适的降噪方法以提高降噪效果。
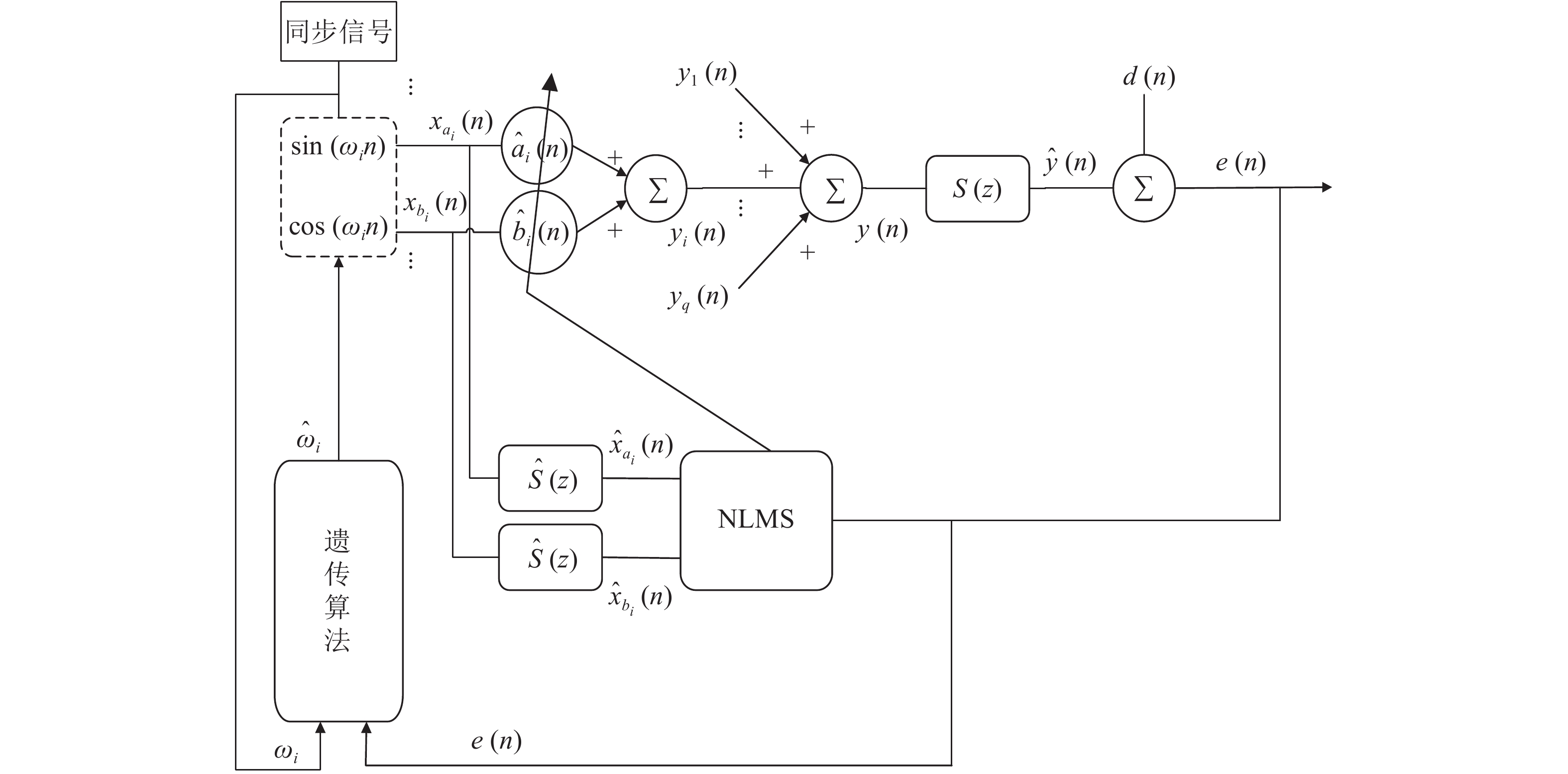
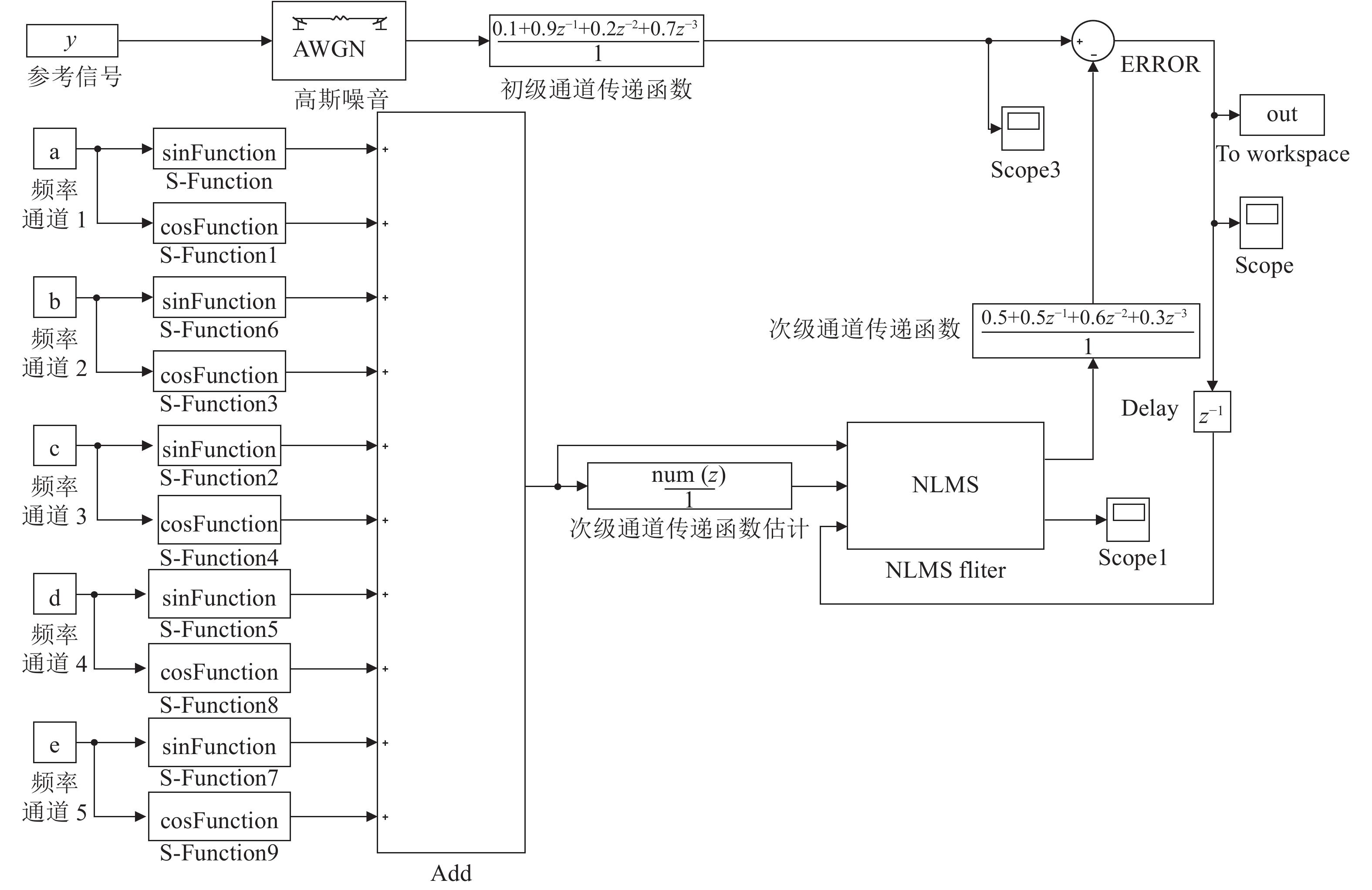
      方法  通过分析风送式喷雾机出风口噪声频谱,采取窄带有源降噪方法对风机出风口噪声进行降噪,比较了3种常见的降噪算法,综合考虑算法收敛速度和降噪性能,选取NLMS算法作为核心算法;为改善窄带有源降噪系统中由非声学传感器引起的频率失调问题,引入遗传算法对转速器采集参数计算出的初始频率进行优化。将风机噪声作为输入信号,采取197、394、591、788和985 Hz 5个频率通道进行窄带有源降噪仿真。
      结果  风送式喷雾机噪声以扇叶转动引起的旋转噪声为主。仿真结果表明,经过遗传算法迭代33次调频后的系统性能得到较好的改善,在NLMS算法迭代10 000次时系统收敛,5个频率通道噪声幅值分别降低了0.192、0.041、0.024、0.018和0.210 mm,取得总体约14 dB的降噪效果。
      结论  NLMS算法对风送式喷雾机噪声有较好的降噪效果,遗传算法能够有效改善非声学传感器引起的频率失调问题。本研究为风送式喷雾机主动降噪方法提供了参考。

       

      Abstract:
      Objective  To analyze the noise in the air outlet of wind driven sprayer, explore the appropriate noise reduction methods and improve the noise reduction effect.
      Method  This paper analyzed the noise frequency spectrum in the air outlet of the wind driven sprayer, adopted the narrow-band active noise reduction method to reduce the noise of fan outlet, analyzed three common noise reduction algorithms, comparatively considered the convergence speed and noise reduction performance of three algorithms, and selected the NLMS algorithm as the core algorithm. In order to improve the frequency disturbance caused by non acoustic sensors in the narrow-band active noise reduction system, genetic algorithm was introduced to optimize the initial frequency calculated by the acquisition parameters of the rotator. The fan noise was taken as the input signal, and five frequency channels (197, 394, 591, 788 and 985 Hz) were used for narrow-band active noise reduction simulation.
      Result  The noise of the wind driven sprayer was mainly rotating noise caused by fan blade rotation. The simulation results showed that the system performance was improved after 33 iterations of the genetic algorithm. When the NLMS algorithm was iterated 10 000 times, the system converged, and the amplitudes of the five frequency channels were reduced by 0.192, 0.041, 0.024, 0.018 and 0.210 mm respectively, and the overall noise reduction effect was about 14 dB.
      Conclusion  The NLMS algorithm has better reduction effect on the noise of wind driven sprayer. Genetic algorithm can effectively improve the frequency disturbance caused by non acoustic sensors. This study provides a reference for active noise reduction methods of wind driven sprayers.

       

    /

    返回文章
    返回