基于PLC和云平台的鹅孵化机监控系统设计与试验

    Design and test of goose incubator monitoring system based on PLC and cloud platform

    • 摘要:
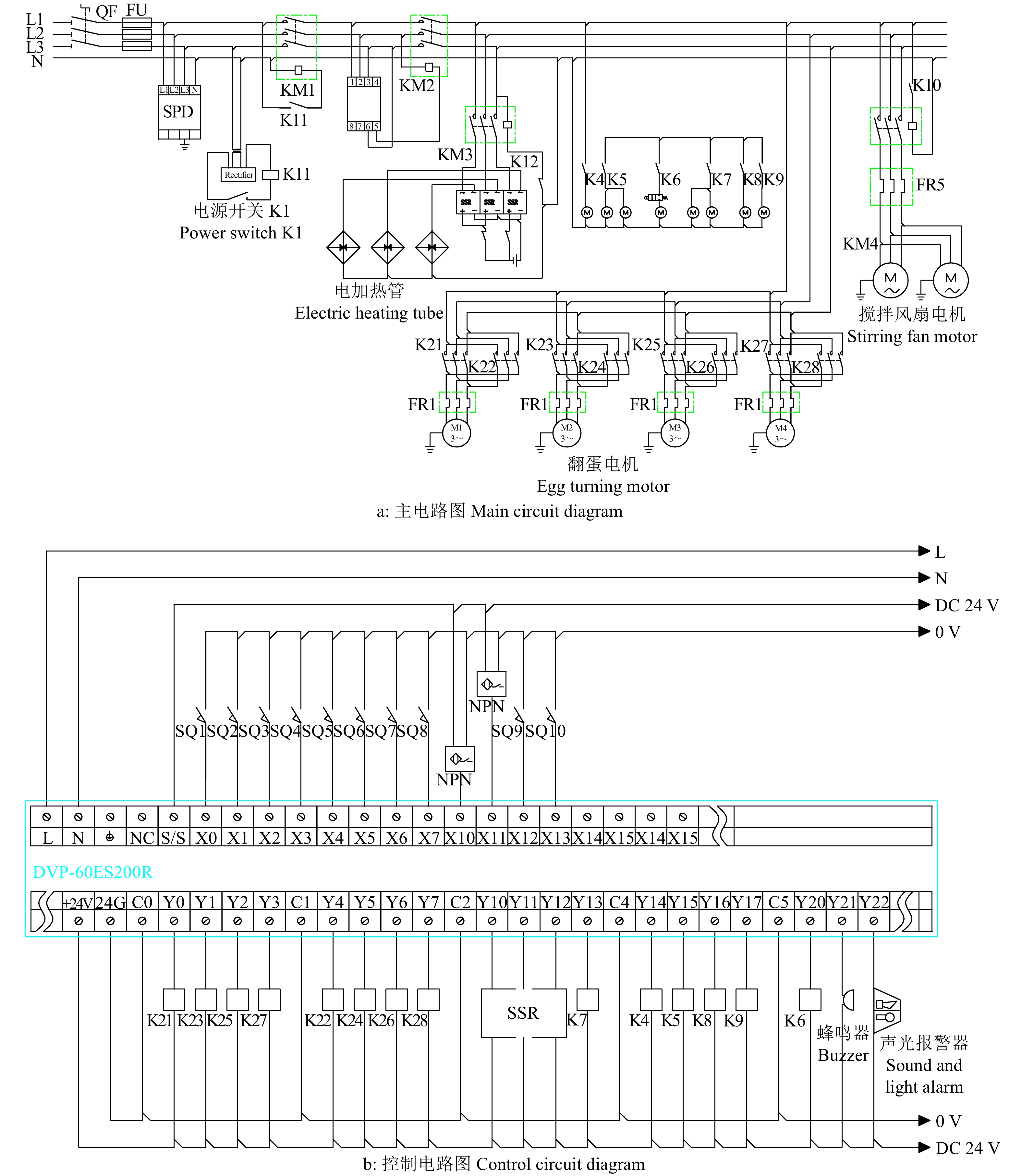
      目的  为了提高鹅种蛋孵化性能,针对现有鹅孵化机孵化过程自动化程度低、温度波动大、鲁棒性差,现场操作复杂等不足,设计了一种基于可编程逻辑控制器(Programmable logic controller,PLC)和云平台的鹅孵化机监控系统。
      方法  根据鹅种蛋孵化工艺要求和鹅孵化机工作原理,采用PLC作为主控制器设计了系统的硬件电路和软件程序,实现孵化机温度、湿度、翻蛋和喷水晾蛋的自动控制,利用触摸屏和组态软件设计了孵化机现场监控的人机交互界面,并利用通用分组无线业务(General packet radio service,GPRS)智能网关、云平台服务器和移动端设计了远程监控系统。系统工作时,GPRS智能网关读取PLC中的存储数据,通过4G/5G网将数据上传至云平台服务器,移动端通过微信公众号、APP或网页可以直接访问和下载云平台服务器中的数据,并以图表形式显示出来。
      结果  该监控系统运行稳定、状态良好;孵化过程中的温度采样数据鲁棒性高,100%达到控制要求;自动控制有助于提高鹅孵化机自动化水平;孵化生产试验结果表明,狮头鹅受精蛋平均孵化率为87.84%,比现有记载最高纪录高1.44%。
      结论  该系统能够满足鹅种蛋孵化要求,且控制精度高,实现了鹅孵化机的自动控制、现场监控和远程监控,具有良好的人机交互界面,对促进农业装备自动化和信息化发展具有指导意义。

       

      Abstract:
      Objective  A goose incubator monitoring system based on programmable logic controller (PLC) and cloud platform was designed in order to improve the incubation performance of goose eggs, and to solve the problems of low automation, large temperature fluctuations, poor temperature robustness, and complex on-site operations in the incubation process of the existing goose incubator.
      Method  Based on the technological requirements in the incubation process of goose eggs and the working principle of the goose incubator, PLC was used as the main controller to design the hardware circuit and software program of the system which could realize the automatic control of temperature, humidity, turning eggs and water spraying of the incubator. The human-machine interaction interface for on-site monitoring of the incubator was designed with a touch screen and the configuration software. Moreover, the remote monitoring system was designed with general packet radio service (GPRS) smart gateway, cloud platform server and mobile terminal. When the system was working, the GPRS smart gateway read the memory data in the PLC and uploaded the data to the cloud platform server through the 4G/5G network. The mobile terminal could directly access and download the data in the cloud platform server, and the data were presented as a chart on the WeChat official account, APP or webpage.
      Result  The monitoring system was stable and in good condition. The temperature sampling data were highly robust and 100% met the control requirements in the incubation process. The automatic control helped to improve the automation level of the goose hatching machine. In the hatching production test, the average hatching rate of fertilized goose eggs was 87.84%, which was 1.44% higher than the current highest record.
      Conclusion  The system can meet the hatching requirements of goose eggs, and has high control accuracy. It achieves the automatic control, on-site monitoring and remote monitoring of the goose incubator and has a good human-machine interaction interface. It has guiding significance for promoting the development of agricultural equipment automation and informatization.

       

    /

    返回文章
    返回