基于PLC的拔抛秧机械手监控系统设计与试验

    Design and experiment of monitoring system for rice seedling transplanting manipulator based on the programmable logic controller

    • 摘要:
      目的  设计一套拔抛秧机械手监控系统,以提高拔抛秧机械手设备的自动化和信息化水平。
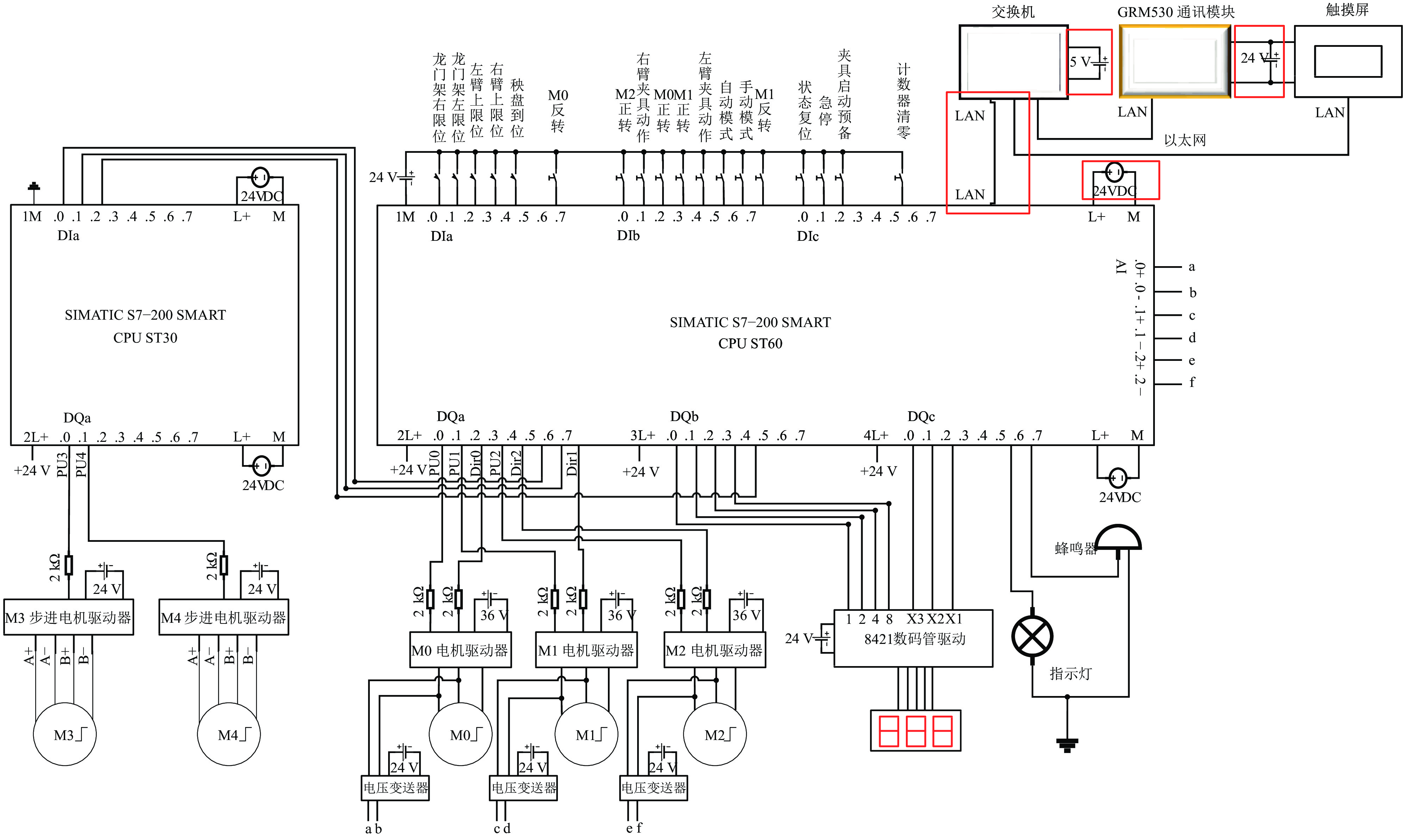
      方法  根据拔抛秧机械手工作原理,采用可编程控制器(Programmable logic controller,PLC)作为主控单元设计了系统的硬件电路和软件程序,采用触摸屏和组态软件设计了拔抛秧机械手的人机交互监控界面,并采用GRM530通讯模块、云服务器、Android手机和Android Studio软件设计了远程监控系统手机APP。该监控系统工作时,GRM530通讯模块读取PLC中指定的存储器数据,通过4G网或WIFI将数据上传到云服务器内,Android手机APP可直接访问并下载该云服务器中的数据,最后在APP中可视化地呈现出来。
      结果  该监控系统工作稳定可靠,远程通信测试重复10次试验的丢包率均为0,平均时延为25 ms,表明Android手机APP客户端和拔抛秧机械手可以实现稳定可靠的双向通信。该系统的数据传输是双向的,人机交互功能正常,触摸屏和Android手机APP均能精准地反馈设备的工作状态和工作数据,用户可以通过Android手机APP对PLC发送控制指令,实现整个系统的监控一体化,远程控制指令响应延时低,最高响应延时不超过0.63 s。
      结论  该拔抛秧机械手监控系统可以对拔抛秧机械手工作状态和工作数据进行远程实时监控,具有良好的人机交互界面,对促进信息化与农机装备的深度融合具有一定指导意义。

       

      Abstract:
      Objective  In order to improve the automation and information levels of rice seedling transplanting manipulator, a set of monitoring system for rice seedling transplanting manipulator was designed.
      Method  According to the working principle of rice seedling transplanting manipulator, the programmable logic controller (PLC) was used as the main control unit, and the hardware circuit and software program of the system were designed. The human-machine interaction monitoring interface of rice seedling transplanting manipulator was designed with a touch screen and the configuration software. The mobile APP for remotely monitoring system was designed with the GRM530 communication module, cloud server, Android mobile phone, and Android Studio software. When the monitoring system was working, the GRM530 communication module read the specified memory data in the PLC and uploaded the data to the cloud server through 4G network or WIFI. Then the Android mobile APP could directly access and download the data in the cloud server. Finally, the data was presented visually in the APP.
      Result  The monitoring system was stable and reliable. The packet loss rates of remote communication for 10 repeated tests all were 0 and the average time delay was 25 ms, which showed that the Android mobile APP client and the rice seedling transplanting manipulator could realize stable and reliable two-way communication. The data transmission of the system was bidirectional. The human-machine interaction function was normal, and the touch screen and Android mobile APP could accurately feedback the working status and data. The user could send the control instructions to PLC through the Android mobile APP to realize the monitoring and controlling integration of the whole system. The response delay of remote control command was low, and the maximum response delay was no more than 0.63 s.
      Conclusion  The monitoring system of rice seedling transplanting manipulator can remotely monitor the working status and data of the manipulator in real-time. It has a good human-machine interaction interface and has a certain guiding significance for promoting the deep integration of informatization and agricultural machinery.

       

    /

    返回文章
    返回