果园灌溉物联网实时监控系统的研制与试验

    Design and experiment of real-time monitoring system for orchard irrigation based on internet of things

    • 摘要:
      目的  简化果园网络部署,延伸信号覆盖范围,提供精细、实时的灌溉监控,并提高其对传统设备的兼容性。
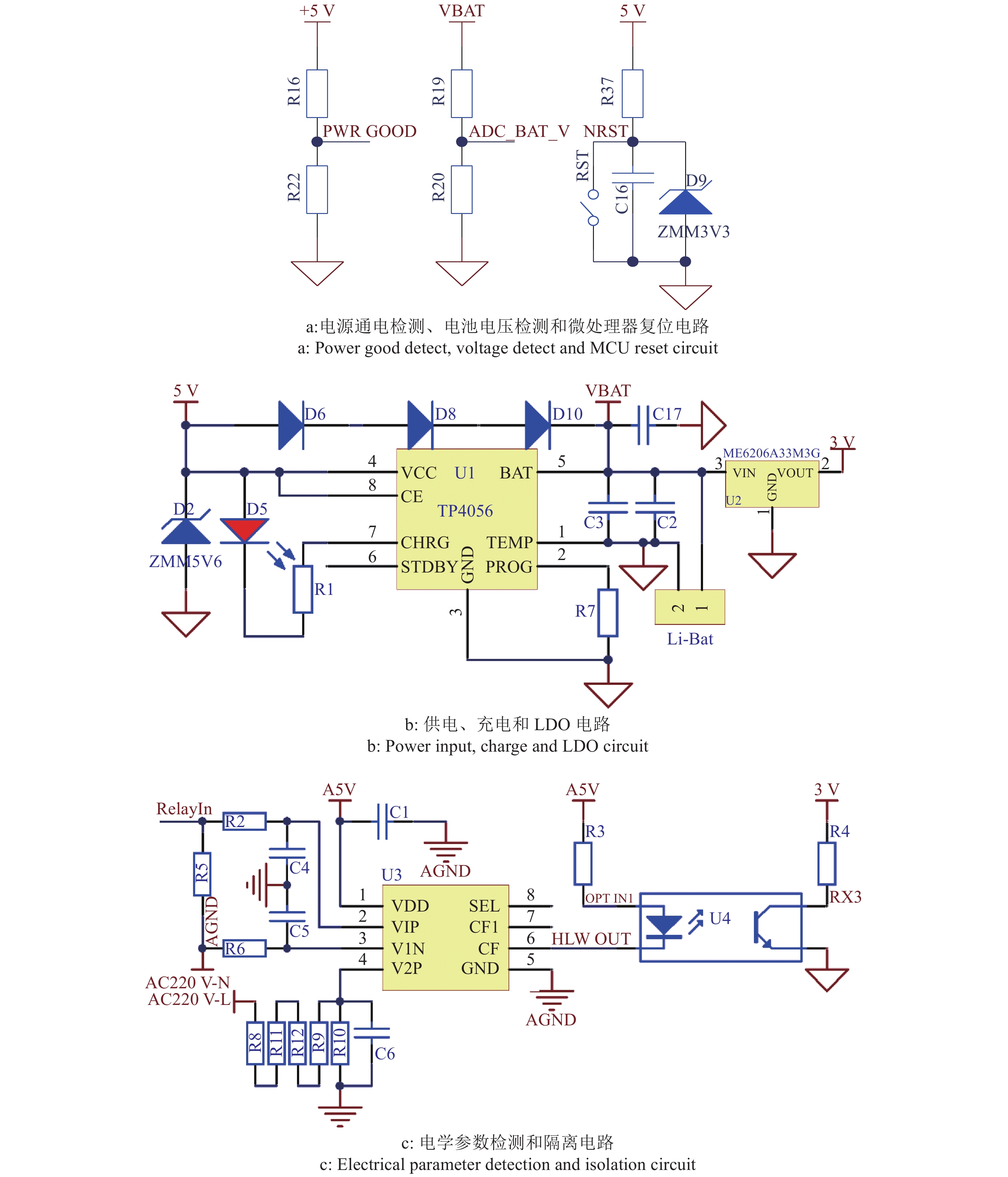
      方法  通过窄带物联网(NB-IoT)和LoRa混合组网实现远程数据传输、延伸基站信号覆盖范围。采用终端电学参数检测电路及标定功率,结合异常检测算法,精准监测设备运行状态,并将异常状态即时上传,降低数据上传频率。同时在保证处理能力的前提下降低处理器主频,从而延长待机时长。
      结果  果园现场监测系统实现了150 ms内上报异常状态,并将上报次数限制为每年2万次。校正检测功率后,功率的线性回归预测决定系数(R2)为0.999 8。通过宏生成JSON数据,生成时长为cJSON方法的10%,进一步降低MCU计算需求。在满足计算和控制需求的前提下,2 MHz的微处理器主频和200 mA·H锂电池可以满足果园灌溉监控系统计算和持续工作的最低要求,采用低功耗微处理器可以进一步延长工作时间。
      结论  监控系统延伸了NB-IoT网络的覆盖范围,可实现精准、低成本和实时的远程监控。

       

      Abstract:
      Objective  To simplify network deployment in orchards, extend the signal coverage, provide precise and real-time irrigation monitoring, and improve its compatibility with traditional equipment.
      Method  Remote data transmission and extended coverage of base station signals were realized by combining narrow band internet of things (NB-IoT) and LoRa network. The circuit was examined using terminal electrical parameter and the power was calibrated, which was combined with the anomaly detection algorithm to accurately monitor the operation status of the equipment. The abnormal status was uploaded immediately, and the data upload frequency was reduced. Meanwhile, the main frequency of the processor was reduced to extend the standby time under the premise of ensuring the processing capacity.
      Result  Abnormal status was uploaded within 150 ms and the frequency was limited to 20 000 times per year for the orchard real-time monitoring system. After calibrating the detection power, the determination coeffecient was 0.999 8 for the linear regression prediction of power. The process time of JSON data generated by macro was 10% of that of cJSON method, which further reduced the calculation requirement of MCU. On the premise of meeting the requirements of calculation and control, the main frequency of 2 MHz microprocessor and 200 mA·H lithium battery could meet the minimum requirements of calculation and continuous operation of orchard irrigation monitoring system. The use of low-power microprocessor could further extend the working time.
      Conclusion  This monitoring system extends the coverage of NB-IoT network and realizes accurate, low-cost and real-time remote monitoring.

       

    /

    返回文章
    返回