水田高地隙喷雾机轮履复合动力底盘的设计与试验

    Design and experiment of wheel-track compound power chassis for high clearance sprayer in paddy field

    • 摘要:
      目的  探讨水田高地隙喷雾机轮履复合动力底盘结构可行性,解决现有水田喷雾机陷深大、田间行驶通过性差等问题,满足南方地区水稻种植模式和农艺要求。
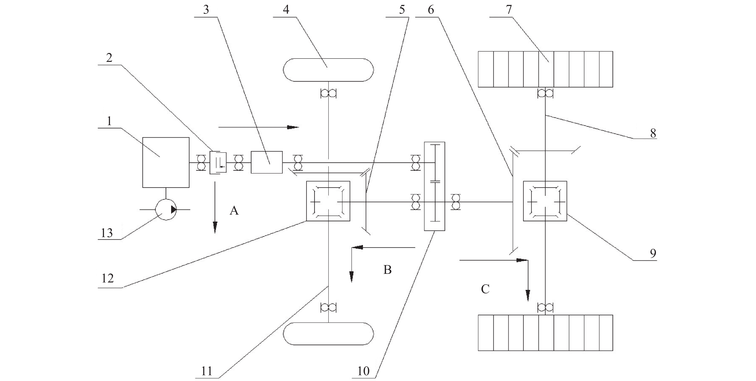
      方法  对动力底盘的转向及行驶性能进行理论分析,对履带与轮式行走装置的关键部件以及整机传动系统进行设计,应用有限元软件在静态负载工况下对履带梯形支架进行分析,得到满载状态下履带行走装置的载荷分布和薄弱部位,根据分析结果对行走装置进行优化。
      结果  确定底盘离地间隙950 mm,履带宽20 mm。在静态满载工况下,履带梯形支架所受最大应力发生在轮毂连接处,为128.87 MPa;最大位移量发生在承重轮连接处,为1.05 mm;满足强度性能要求。田间试验结果表明:行驶速度1~3 km/h,水田行驶最小转弯半径3 380 mm,前轮陷深115 mm、后履陷深63 mm。
      结论  轮履复合动力底盘结构具有可行性,整机工作性能满足水田作业要求,本研究结果对研发新型水田高地隙喷雾机具有一定参考价值。

       

      Abstract:
      Objective  To discuss the feasibility of the structure of hybrid power chassis for high-gap sprayer in the paddy field, solve the problems of deep depression of the paddy field sprayer and poor passing performance in field, and meet rice planting mode and agronomic requirements in the southern region.
      Method  The theoretical analysis of the steering and driving performance of the power chassis was carried out. The key components of the track and wheel traveling device and the transmission system of the whole machine were designed. The finite element software was used to track the trapezoidal bracket under static load conditions. After analyzing, the load distribution and weak parts of the crawler running device under full load were obtained, and the running device was optimized according to the analysis results.
      Result  The chassis clearance was determined to be 950 mm and the track width was 20 mm. Under static full load conditions, the maximum stress on the crawler trapezoidal bracket, which was 128.87 MPa, occured at the hub connection, and the maximum displacement, which was 1.05 mm, occured at the joint of the load bearing wheel, meeting the strength performance requirements. The field test results showed that the driving speed ranged from 1 to 3 km/h, the minimum turning radius of the paddy field was 3 380 mm, the front wheel depth was 115 mm, and the rear depth was 63 mm.
      Conclusion  The wheel-wheel composite power chassis structure is feasible. The performance of the whole machine meets the requirements of paddy field operations. The results of this study have certain reference values for the development of new paddy field high-gap sprayers.

       

    /

    返回文章
    返回